日産 Y31 グロリア セドリック 配線図 配線図集の正誤表 - 初代シーマに乗ろう
(5779件)
Pontaパス特典
サンキュー配送
6960円(税込)
70ポイント(1%)
Pontaパス会員ならさらに+1%ポイント還元!
送料
(
)
5762
配送情報
お届け予定日:2026.04.09 14:26までにお届け
※一部地域・離島につきましては、表示のお届け予定日期間内にお届けできない場合があります。
ロットナンバー
81930179095
お買い物の前にチェック!
Pontaパス会員なら
ポイント+1%
ポイント+1%
商品説明










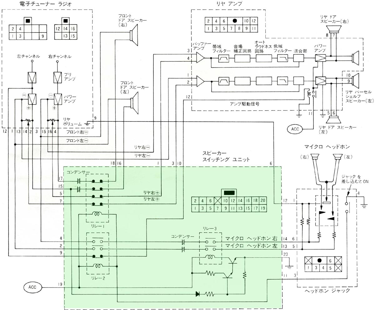
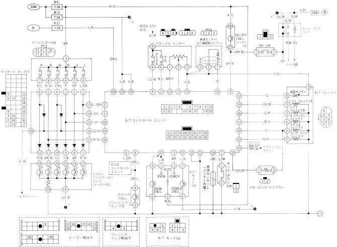
日産 ニッサン NISSANY31型 グロリア セドリック配線図表紙は色褪せがありますが中身は使用には問題ありません画像にて判断していただき3Nにてお願いします。VIP GT グランツーリスモ SVクラシック セダン
| カテゴリー: | 車・バイク・自転車>>>アクセサリー>>>カタログ・マニュアル |
|---|---|
| 商品の状態: | 傷や汚れあり","多くの人が見てわかるような傷や汚れがある |
| ブランド: | 日産 |
| 配送料の負担: | 着払い(購入者負担) |
| 配送の方法: | クロネコヤマト |
| 発送元の地域: | 神奈川県 |
| 発送までの日数: | 4~7日で発送 |
レビュー
商品の評価:




4.4点(5779件)
- rmjh
- 想像以上に細く白い部分が残る 貼りにくいのはしょうがないが、 厚さで少し隙間ができた感じがする 値段通りな印象
- とらーな
- 耳穴の形が違うのか、スポーツジムで必ず片耳がずれ落ちてしまいストレスになっていました。 このフックで解消出来そうで助かります。その他形、カラーも色々有り次回の発注の参考します。
- chihaemam
- マグネットが弱すぎです。 普通に歩くだけではずれます。 改善された方が良いと思います。 これでは使えません。
- まきちんこつ
- コチラも同梱にて手配していただき、お手数等お掛けしましたが、 ありがとうございました お品確かに受領致しました^ ^! この度は大変ありがとうございました^ ^! コロナに負けずお互い頑張りましょう〜★
- monta4175
- ヘッドフォン本体に比べると、ちょっと安っぽく見えてしまいますね
- masa69544833
- かなり早くに配送していただいてありがとうございました。
- KumaDaBear
- 貼りにくく、破けやすい、あんまり意味がないのかなと感じた。
- かっぴぃ712709
- まったく使いもならなく、即お蔵入りでした。ムダ金、散財商品でした。
- marusho1
- 大切なAirPodsを落とさないために、どのタイプにしようか迷いましたが、せっかくの完全ワイアレスなのに、ストラップがあっては意味ないと思い、このタイプにしました。 充電ケースから取り出して、一回ずつ装着するのは少々面倒ですが、落とすリスクを考えると、大した手間ではないと思います。 耐久性はまだわかりませんが、柔らかい素材で、耳に負担もなく、今のところ快適に使わせて頂いています。
- SR3171110
- 家事をしながらや子ども達と会話しながらでも自分の好きな音楽をBGMのように聴けるので買ってよかったです。
- まふ23
- AirPodsに似た独立型のイヤホンで使用してます。マグネットもついてるのでこちらに決めました。AirPodsじゃなくても使えますよ。
- じょおじ3
- 蓋側は割と装着がしやすいが、下側が難しいことこの上ない。 また、上下貼り付けた後は蓋を閉めても気持ち少し浮いていて蓋がずれているように見える。(商品の仕様上仕方がないが) 見た目は大変かっこよくなり満足。
- ryohei0329
- airpods pro用の黒を購入しました。 私の場合、付属のウエスで拭いて、輪っかに指を通して貼れば、綺麗に貼れました。 フチまで覆うシールを期待して黒にしましたが、そこまで大きくなく少しガッカリなので星1つ下げました。
- memory_unit
- 肌あたりが良くなっただけでなく可愛くなったー。欲を言えば頭頂部のアーチ?のとこもガサガサ劣化してきたので同じシリーズでお色直しができたらいいなー
すべて見る
お店の情報
7,367
連絡・応対
4.3
配送スピード
4.3
梱包
4.3










